U-Han tools & Co.
COMPANY
COMPANY
Introduction CEO
Histroy of company
Partners
Office & Factory introduce
Location
PRODUCT
PRODUCT
U-HUN Special tool
SSANGYONG Materials
Korea Metallurgy
TIZIT
Live Center
DINE
New product
DATA
DATA
Knowledge Base
New Materials
Catalogue
CUSTOMER
CUSTOMER
1:1 Technical Consultation
Estimate and Order
COMMUNITY
COMMUNITY
Notice
Q & A Board
Staff only
> product >
LIVE CENTER
PRODUCT >
U-HAN SPECIAL TOOL
SSANGYONG MATERIALS
KOREA METALLURGY
TIZIT
NEW PRODUCT
SPECIALS PRODUCTS ON SALE
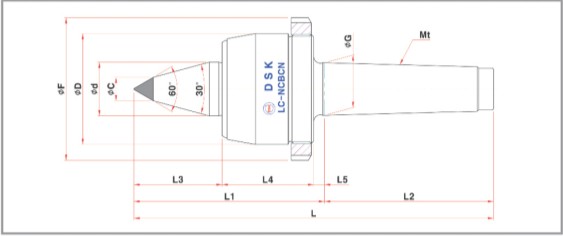
NCBCN
DSK
확장형+초경 TYPE
NC 선반에 적합한 모델